7.4V 35KG 180 Degree Steel Gear Servo
Price: 0 $
- Parameters
- Downloads
-
Product Model No:FT-7235-C001
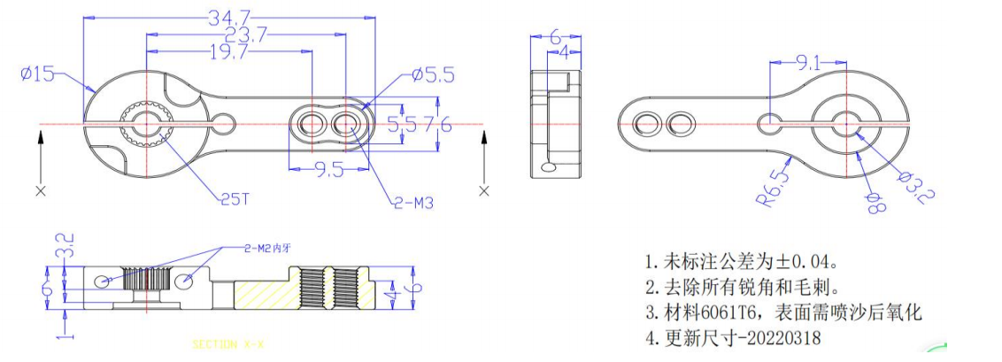
Structure Size:40.7*36.5*20.16mm
The Maximum Speed:0.098sec/60°@8.4V
The Stall Torque:34.2kg. cm@8.4V
The Rotation Degree:180°
Product details
|
型 号 Model: |
FT-7235-C001 |
|
产品名称 Product Name: |
7.4V 35kg.cm180°舵机/7.4V 35KG 180 Degree Magnetic Encoders Steel Gear Servo |
| 存储温度 Storage Temperature Range | -20℃~80℃ |
| 运行温度 Operating Temperature Range: | -10℃~60℃ |
|
尺寸 Size: |
A:40.7mm B:36.5mm C: 20.16mm |
|
重量 Weight: |
64.5± 1g |
| 齿轮类型 Gear type: |
钢 Steel |
| 机构极限角度 Limit angle: |
NO limit |
| 轴承 Bearing: | 滚珠轴承 Ball bearings |
| 出力轴 Horn gear spline: |
25T/5.9mm |
| 减速比Gear Ratio: | 1/275 |
| 外壳 Case: | Alumi num |
| 舵机线 Connector wire: | 30±0.5CM |
| 马达 Motor: |
Core Motor |
|
工作电压Operating Voltage Range: |
4-9V |
| 静态电流Idle current (atstopped) |
10mA@8.4V |
|
空载速度 No load speed: |
0.098sec/60°(102RPM)@8.4V |
| 空载电流 Runnig current(at no load) : | 340mA@8.4V |
|
堵转扭矩 Peak stall torque: |
34.2kg.cm@8.4V |
|
额定扭矩 Rated torque: |
11.4kg.cm@8.4V |
| 堵转电流 Stall current: | 3.6A@8.4V |
| 控制信号Command si gnal | Pulse width modification |
| 控制系统类型 Control System Type | Digital comparator |
| 脉冲宽度范围Pulse width range | 500~2500 μ sec |
| 中立位置Stop position | 1500 μ sec |
| 操作角度Running degree |
180°± 5°(at 500→2500μsec) |
| 死区宽度Dead band width | ≤4 μ sec |
| 旋转方向Rotating direction | 逆时针 Counterclockwi se (在1500→2500 μ sec) |
| 详细规格书下载Download detailed specifications: | |
| 电子保护 Electronic Protection | 堵转8秒/Stall 8sec |
| 外形图 The Drawings: |








