8.4V 105KG Full Metal Double Shaft TTL Servo
Price: 0 $
- Parameters
- Downloads
-
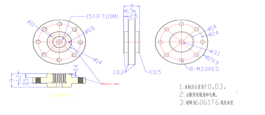
Product Model No:ST-3095-C001
Structure Size:30*65*48mm
Product Weight:194.5± 1g
The Maximum Speed:0.25sec/60°@8.4V
The Stall Torque:105kg.cm@8.4V
The Rotation Degree:(360°/4096)
Product details
|
ST-3095-C001是8.4V 105KG 串口总线智能舵机,采用全铝合金外壳、无刷电机、金属齿牙箱、飞特自主研发的TTL控制板,12位高精度磁编码传感器。堵转扭矩105kg.cm,能实现360度任意角度可控,多圈连续转,步进等工作模式,可实现一键设定中位功能,加速度缓启动与缓停止,能反馈位置、速度、电压、温度、负载参数,从而实现过载保护。适合应用在工业设备、机器人等小扭力传动应用场景。 ST-3095-C001 is 8.4V 105kg serial bus smart servo,aluminum alloy case is used、core motor,metal gearbox 、Feetech self researched and developed TTL control board.The stall torque is 105kg.cm,multi-turn continuous operation mode,it can realize the function of setting the middle point with one key,acceleration slow start and slow stop,can feedback position、speed、voltage、current、temperature、load parameters,thus, overload and over-current protection can be realized. It is suitable for application in industrial equipment, robot and Small torque drive application scenarios. |
|
|
型 号 Model: |
ST-3095-C001 |
|
产品名称 Product Name: |
8.4V 105KG全金属双轴舵机/8.4V 105KG Full Metal Double Shaft TTL Servo |
| 存储温度 Storage Temperature Range | -30℃~80℃ |
| 运行温度 Operating Temperature Range: | -20℃~60℃ |
|
尺寸 Size: |
A:30mm B:65mm C:48mm |
|
重量 Weight: |
194.5± 1g |
| 齿轮类型 Gear type: | 钢齿steel Gear |
| 机构极限角度 Limit angle: |
NO limit |
| 轴承 Bearing: | 滚珠轴承Ball bearings |
| 出力轴 Horn gear spline: | 15T/OD7.6mm |
|
摇臂虚位The rocker phantom: |
0° |
| 外壳 Case: | Aluminium |
| 舵机线 Connector wire: |
15CM |
| 马达 Motor: | Core Motor |
|
工作电压Operating Voltage Range: |
6V-12V |
|
空载速度 No load speed: |
0.25sec/60°@8.4V |
| 空载电流 Runnig current(at no load) : | 800mA@8.4V |
|
堵转扭矩 Peak stall torque: |
105kg.cm@8.4V |
|
额定扭矩 Rated torque: |
35kg.cm@8.4V |
| 堵转电流 Stall current: | 10.5A@8.4V |
| 控制信号 Command signal: | Digital Packet |
| 协议类型 Protocol Type: |
Half Duplex Asynchronous Serial Communication |
| ID范围 ID range: | 0-253 |
| 通读速率 Communication Speed: | 38400bps ~ 1 Mbps |
|
旋转角度 Running degree: |
360° (when 0~4096) |
|
反馈 Feedback: |
Load(负载), Position(位 置),Speed(工作速度), Input Voltage(输入压),Current(工作电流),Temperature(工 作温度) |
| 详细规格书下载Download detailed specifications: | |
| 外形图 The Drawings: | |








