8.4V 10kg.cm Digital 250 Degree Coreless Motor Servo
Price: 0 $
- Parameters
- Downloads
-
Product Model No:FT-3329-C001
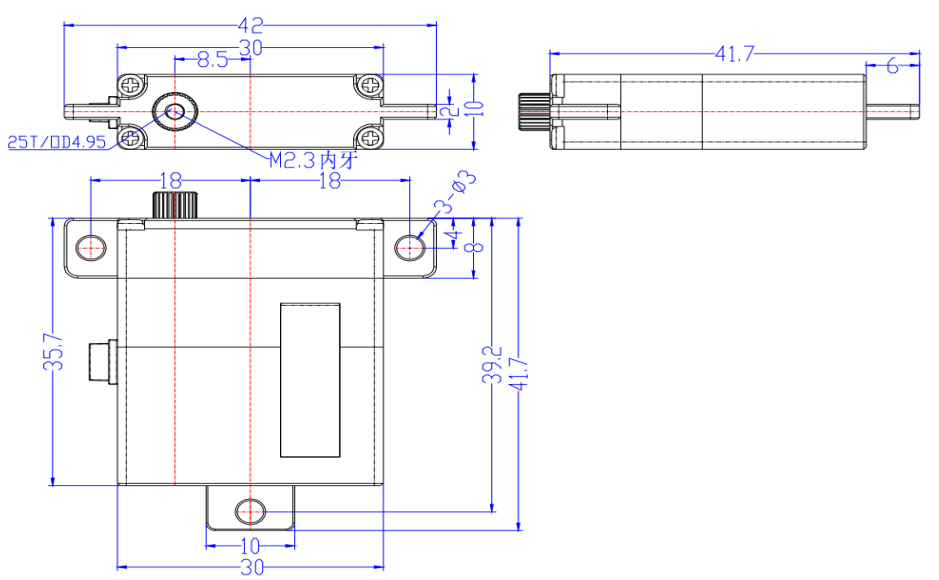
Structure Size:30*10*35.7mm
The Maximum 0.071sec/60degree@8.4V
The Stall Torque:11.5 kg.cm@8.4V
The Rotation Degree:250°
Product details
|
型 号 Model: |
FT-3329-C001 |
|
产品名称 Product Name: |
8.4V |
| 存储温度 Storage Temperature Range | -30℃~80℃ |
| 运行温度 Operating Temperature Range: | -20℃~60℃ |
|
尺寸 Size: |
A:30mm B:10mm C:35.7mm . |
|
重量 Weight: |
28.3± 1g |
| 齿轮类型 Gear type: | Metal Gear |
| 机构极限角度 Limit angle: |
No limit |
| 轴承 Bearing: | 滚珠轴承 Ball bearings |
| 出力轴 Horn gear spline: | 25T/4.95mm |
| 外壳 Case: | Aluminium |
| 舵机线 Connector wire: | 25CM |
| 马达 Motor: | Coreless Motor |
|
工作电压Operating Voltage Range: |
4-9V |
| 静态电流Idle current (at stopped) . | 6mA |
|
空载速度 No load speed: |
0.071sec/60degree(140RPM)@8.4V |
| 空载电流 Runnig current(at no load) : | 135mA@8.4V |
|
堵转扭矩 Peak stall torque: |
11.5kg.cm@8.4V |
|
额定扭矩 Rated torque: |
3.8kg.cm@8.4V |
| 控制信号Command signal | Pulse width modification |
| 放大器类型Amplifier type | Digital Comparator |
| 脉冲宽度范围Pulse width range | 500→2500 μsec |
| 中位位置Stop position | 1500 μsec |
| 旋转角度Running degree | 250°(at 500→2500μsec) |
| 死区宽度Dead band width | ≤8 μsec |
| 旋转方向Rotating direction | 逆时针 Counterclockwise(在1500→2000 μsec) |
| 详细规格书下载Download detailed specifications: | |
| 外形图 The Drawings: |


11.5kg.cm数码250度舵机/8.4V 




